Алюминиевый профиль рамочных фасадов
Дизайнеры интерьера и мебели ищут новые материалы и решения для создания проектов, которые станут не только долговечными, но сохранят эстетичный внешний вид при всей своей функциональности. Из всех других доступных материалов, таких как пластик, текстиль, дерево и стекло, алюминий набирает все большую популярность.
Алюминий может быть использован в различных вариантах дизайна — от элегантного классического дизайна до ультрасовременного индустриального стиля. Вот почему алюминий является наиболее подходящим вариантом металла для самых роскошных домов, похожих на гостиницы, а также для простых, но уютных жилых проектов.
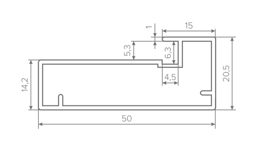
Мы наполнили ассортиментный портфель AQ алюминиевым профилем для рамочных фасадов Z и F серии, которые представлены в самых востребованных цветах:
алюминий;
черный матовый;
черный брашированный;
графит матовый;
графит брашированный;
золото матовое.
Длина изделия в цвете алюминий, черный матовый и черный брашированный – 5600 мм, в цвете золото матовое, графит матовый и графит брашированный – 4000 мм.
Алюминиевые профили для рамочных фасадов AQ идеально подойдут для создания долговечных и стильных проектов, которые наполнят пространство вашего дома элегантностью и комфортом.
AQ – долговечные решения для эволюции жилых пространств.
Дизайнеры интерьера и мебели ищут новые материалы и решения для создания проектов, которые станут не только долговечными, но сохранят эстетичный внешний вид при всей своей функциональности. Из всех других доступных материалов, таких как пластик, текстиль, дерево и стекло, алюминий набирает все большую популярность.
Алюминий может быть использован в различных вариантах дизайна — от элегантного классического дизайна до ультрасовременного индустриального стиля. Вот почему алюминий является наиболее подходящим вариантом металла для самых роскошных домов, похожих на гостиницы, а также для простых, но уютных жилых проектов.
Мы наполнили ассортиментный портфель AQ алюминиевым профилем для рамочных фасадов Z и F серии, которые представлены в самых востребованных цветах:
алюминий;
черный матовый;
черный брашированный;
графит матовый;
графит брашированный;
золото матовое.
Длина изделия в цвете алюминий, черный матовый и черный брашированный – 5600 мм, в цвете золото матовое, графит матовый и графит брашированный – 4000 мм.
Алюминиевые профили для рамочных фасадов AQ идеально подойдут для создания долговечных и стильных проектов, которые наполнят пространство вашего дома элегантностью и комфортом.
AQ – долговечные решения для эволюции жилых пространств.
